В мире современных автомобильных технологий каждый из нас сталкивается с необходимостью эффективного заряда и пуска своего транспортного средства. Безусловно, на рынке представлены готовые схемы и устройства, однако самостоятельное создание схемы зарядно-пускового устройства может быть увлекательным и экономически выгодным процессом.
Термин «своими руками» уже давно стал символом самостоятельного творчества и самовыражения, независимо от сферы деятельности. Именно воплощение собственных идей и инициатив в жизнь формирует индивидуальность и развивает навыки технического мышления.
Пусковое устройство для автомобиля является неотъемлемой составляющей его надежного функционирования. А если добавить в это устройство функцию зарядки аккумулятора, то получится действительно полезное и удобное приспособление. Зарядно-пусковое устройство способно аккуратно и быстро восстановить заряд аккумуляторной батареи, а при необходимости также предоставить возможность запуска двигателя автомобиля.
Творческий подход к собственноручному созданию загрузочно-приводного агрегата для автомобиля
Оригинальные идеи по созданию загрузочно-приводного агрегата для автомобиля своими собственными умелыми руками.
Эта статья предлагает творческий подход к процессу сборки и созданию действительно уникального загрузочно-приводного агрегата, который будет отличаться от стандартной схемы, предлагаемой на рынке. Здесь будут представлены альтернативные решения и новаторские идеи, которые позволят вам изготовить особое устройство для вашего автомобиля, способное одновременно заряжать аккумулятор и обеспечивать запуск двигателя.
При создании этого загрузочно-приводного агрегата будут предложены нетрадиционные компоненты и методы сборки, которые на первый взгляд могут показаться необычными. Здесь вы найдете советы о самых эффективных и инновационных материалах и инструментах, которые могут использоваться при создании вашего собственного устройства.
Статья будет полезна как опытным автолюбителям, так и новичкам, увлеченным автомобилями. К вашим услугам — стимул к креативному мышлению и пробуждение вашей инженерной фантазии, чтобы создать уникальный загрузочно-приводной агрегат, который будет соответствовать вашим конкретным потребностям и требованиям.
Выбор подходящей схемы зарядки автомобильного аккумулятора
Когда речь заходит о зарядке автомобильного аккумулятора, важно учесть несколько факторов, основанных на собственных потребностях и требованиях. Ведь удобство и эффективность процесса зарядки напрямую зависят от выбора подходящей схемы. В данном разделе мы рассмотрим несколько вариантов и подробно остановимся на их преимуществах и недостатках.
Первый вариант — использование простой схемы зарядки, основанной на подключении аккумулятора к источнику постоянного тока. Такой подход довольно удобен и может быть осуществлен с помощью зарядного устройства, включенного в розетку. Однако, он может быть неэффективным для более мощных аккумуляторов или в случае необходимости быстрой зарядки.
Второй вариант — использование умной схемы зарядки, обеспечивающей автоматическую регулировку напряжения и тока зарядки. Такая схема позволяет избежать перезарядки или недозарядки аккумулятора, а также обладает защитой от короткого замыкания. Однако, это более сложная и дорогостоящая система, требующая дополнительного оборудования.
Третий вариант — использование схемы зарядки, основанной на солнечных батареях. Эта экологически чистая и самостоятельная система позволяет заряжать аккумулятор при помощи солнечной энергии. Однако, она зависит от доступности солнечного света и может быть менее эффективной в пасмурные или зимние периоды.
Выбор подходящей схемы зарядки автомобильного аккумулятора зависит от ваших предпочтений, потребностей и условий эксплуатации. Нет универсального решения, но благодаря разнообразию предложений на рынке, можно найти оптимальный вариант для вашего автомобиля.
Преимущества активного выпрямителя в автомобильной схеме зарядного пускового устройства

Увеличение эффективности
Активный выпрямитель позволяет достичь более высокой эффективности процесса зарядки, что является существенным преимуществом. В результате использования этой схемы, происходит оптимизация преобразования переменного тока в постоянный, что позволяет сократить потери энергии и значительно повысить эффективность зарядки автомобильного аккумулятора.
Стабильность и надежность
Еще одним значимым преимуществом активного выпрямителя является его способность обеспечивать стабильное и надежное напряжение в процессе зарядки. Благодаря точному контролю выходного напряжения, данный тип схемы предотвращает возможное повреждение аккумулятора и обеспечивает его более долгий срок службы.
Управляемость и многофункциональность
Активный выпрямитель позволяет осуществить точное управление и контроль параметров зарядки. Это обеспечивает возможность выбора различных режимов зарядки в зависимости от требований и состояния аккумулятора, а также позволяет реализовать функции, такие как быстрая зарядка или поддержание оптимального уровня заряда.
Совместимость и гибкость
Кроме того, активный выпрямитель обладает высокой совместимостью с различными типами аккумуляторов и может работать с широким диапазоном номинальных напряжений. Это позволяет использовать данную схему в различных автомобилях, обеспечивая гибкость и универсальность в использовании.
В итоге, использование схемы с активным выпрямителем в автомобильном зарядно-пусковом устройстве позволяет повысить эффективность зарядки, обеспечить стабильность и надежность работы аккумулятора, а также предоставляет больше возможностей для управления и гибкости в настройке зарядного процесса.
Особенности схемы с плавающим выпрямителем
В данном разделе рассмотрим характерные особенности схемы с плавающим выпрямителем, которая используется в автомобильных электронных системах. Данная схема имеет ряд преимуществ, которые позволяют ей эффективно выполнять свои функции без необходимости постоянного контроля и вмешательства со стороны пользователя.
Плавающий выпрямитель, как своеобразный регулятор напряжения, обеспечивает стабильное питание для различных электронных устройств автомобиля. Эта схема автоматически подстраивает выходное напряжение в соответствии с изменениями входного напряжения, обеспечивая достаточную мощность для работы систем автомобиля даже при небольших колебаниях напряжения на аккумуляторе.
Использование схемы с плавающим выпрямителем позволяет повысить надежность и долговечность электронных систем автомобиля. Благодаря возможности автоматической регулировки выходного напряжения, данная схема способна преодолевать возможные скачки напряжения, предотвращая перенапряжение в электронных компонентах и экономия заряда аккумулятора. Более того, эта схема обладает защитной функцией от короткого замыкания, которая предотвращает возможные поломки или повреждения в случае нештатной ситуации.
Одной из ключевых особенностей схемы с плавающим выпрямителем является ее автономность. Это позволяет системе работать самостоятельно, без участия пользователей, в течение длительного времени. Такая автономность особенно важна в случаях, когда автомобиль стоит без движения или находится в режиме хранения. Благодаря схеме с плавающим выпрямителем, автомобильные электронные системы могут сохранять свою работоспособность даже при длительных периодах простоя.
Инструкция по подбору оптимальной схемы для своего автомобиля
Когда дело касается зарядки и запуска автомобиля, важно выбрать подходящую схему, которая справится с этой задачей наилучшим образом. Однако, существует множество различных вариантов, и выбрать наиболее подходящую может быть сложно. В данном разделе мы предоставим вам полезные рекомендации по выбору оптимальной схемы, учитывая особенности вашего автомобиля.
Перед тем как приступить к выбору схемы, необходимо учитывать особенности вашего автомобиля, такие как его тип, мощность двигателя и состояние аккумулятора. Важно оценить потребность в энергии для успешного запуска двигателя. Кроме того, обратите внимание на доступные вам ресурсы и навыки, такие как наличие электрической сети или возможность проведения сложных электрических работ.
Существует несколько типов схем, которые можно рассмотреть в зависимости от ваших предпочтений и требований. Например, классическая схема параллельного зарядного устройства позволяет заряжать аккумулятор автомобиля от внешнего источника энергии. Также существуют новые технологии, такие как схема интеллектуального зарядного устройства, которая автоматически адаптируется к особенностям аккумулятора и максимально эффективно заряжает его.
Определение оптимальной схемы также зависит от ваших предпочтений по удобству использования и ресурсам, которые вы готовы вложить. Некоторые схемы требуют большего времени и усилий для создания, но при этом могут обеспечить более эффективную работу. Другие схемы могут быть более простыми и доступными в исполнении, но могут иметь ограниченные возможности.
Обратите внимание на возможность проконсультироваться с специалистами или опытными автолюбителями, которые могут поделиться своим опытом и предоставить ценные советы по выбору оптимальной схемы для вашего автомобиля. В итоге, правильный выбор схемы позволит обеспечить надежную зарядку и запуск автомобиля, сохраняя его работоспособность и продлевая срок службы аккумулятора.
Инструменты и материалы для создания устройства самостоятельно
В данном разделе рассматриваются основные инструменты и материалы, необходимые для самостоятельного создания зарядно-пускового устройства для автомобиля. Здесь представлены сведения о необходимых компонентах, которые помогут вам собрать работоспособное устройство без привлечения специалиста.
Первым неотъемлемым инструментом является паяльник, который позволит вам соединить различные электрические компоненты с помощью припоя. С помощью него можно будет обеспечить надежную и эффективную работу вашего будущего устройства. Кроме того, для пайки может понадобиться флюс и специальные паяльные щетки для удаления остатков припоя.
Также необходимы штангенциркуль, электрический дрель с набором сверл разного диаметра, кусачки и пассатижи для работы с проводами и электрическими компонентами. Они помогут вам обеспечить точность измерений и качественное выполнение всех монтажных работ.
Важным элементом конструкции будет электронная плата, на которую нужно будет установить все компоненты и соединить их в единое целое. Для изготовления платы можно использовать фото метод, макетную пленку и раствор резиста.
Для безопасной работы с электрическими компонентами необходимы специальные инструменты — изолирующие ленты, термоусадочные трубки, ножницы для обрезки проводов и т.д. Эти инструменты позволят обеспечить правильную изоляцию и предотвратить короткое замыкание при сборке устройства.
Помимо перечисленных инструментов, для создания зарядно-пускового устройства пригодятся различные электронные компоненты, такие как: резисторы, конденсаторы, диоды, реле, транзисторы и другие. Их выбор зависит от конкретных задач и требований, которые вы хотите решить с помощью своего устройства.
Обращайте внимание на качество используемых материалов и проверяйте их соответствие техническим характеристикам. Это позволит обеспечить стабильную работу вашего зарядно-пускового устройства и повысить его эффективность.
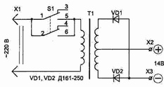
Необходимые электронные компоненты для создания схемы
В данном разделе рассмотрим основные электронные компоненты, которые необходимы для создания схемы зарядно-пускового устройства для автомобиля своими руками. При построении такой схемы требуется использовать разнообразные элементы, обеспечивающие надежное и эффективное функционирование устройства. Для выполнения основных задач, таких как зарядка аккумулятора и запуск двигателя, требуется применение определенных электронных компонентов, которые обеспечивают стабильность работы и безопасность системы.
| Компонент | Описание |
|---|---|
| Микроконтроллер | Интегральная микросхема, обеспечивающая управление и контроль работы зарядно-пускового устройства. Микроконтроллер может выполнять функции мониторинга и регулирования зарядного тока, контроля напряжения и других параметров работы. |
| Транзистор | Электронный элемент, используемый для управления потоком электрического тока. В схеме зарядно-пускового устройства транзистор может использоваться для регулирования зарядного тока и управления другими электронными компонентами. |
| Диод | Полупроводниковый элемент, пропускающий электрический ток только в одном направлении. В схеме зарядно-пускового устройства диоды используются для предотвращения обратного тока и защиты от короткого замыкания. |
| Резистор | Элемент сопротивления, используемый для ограничения тока и изменения величины напряжения в схеме. Резисторы могут применяться для установки определенных значений тока, напряжения и выполнения других функций в зарядно-пусковом устройстве. |
| Конденсатор | Элемент, способный накапливать и хранить электрическую энергию в форме электрического поля. Конденсаторы используются для сглаживания напряжения, фильтрации сигналов и компенсации электрических помех. |
Это лишь некоторые из основных компонентов, используемых при создании схемы зарядно-пускового устройства. Однако, для полноценного и надежного функционирования системы требуется тщательно продумать и подобрать сочетание электронных компонентов, учитывая требования и особенности конкретного автомобиля.
Инструменты и необходимые принадлежности для сборки собственного устройства автомобильного пуска
В данном разделе мы рассмотрим основные инструменты и принадлежности, необходимые при сборке и создании уникального автомобильного пускового устройства. Следует отметить, что для успешной сборки данной конструкции потребуется владение различными типами инструментов. Собрав все необходимое, вы сможете уверенно приступить к созданию своего устройства, которое поможет в случае выхода аккумулятора из строя.
Инструменты
|
Принадлежности
|
Выбор и использование правильных инструментов и принадлежностей является ключевым фактором при сборке автомобильного пускового устройства. Это гарантирует качественное и надежное его функционирование. Помимо указанных инструментов и принадлежностей может потребоваться дополнительное оборудование в зависимости от выбранной схемы и конструкции. Важно иметь все необходимое под рукой перед началом работы, чтобы избежать задержек и проблем в процессе сборки.
Выбор оптимальных проводов и аксессуаров для монтажа
В данном разделе мы рассмотрим рекомендации по выбору проводов и элементов крепления для установки устройства, которое позволит зарядить и запустить автомобиль. Правильный выбор проводов и аксессуаров играет важную роль в обеспечении эффективного и безопасного функционирования системы запуска.



